
![]() |
Эта статья для тех, кто хочет быстро и относительно не дорого приобщиться к ламповому звуку и сделать свой уголок уютней и теплей во всех отношениях. Зима близко. ;-) |
|---|
Понятно, что не о каком HI-ENDе речи не идет, но по факту, звучание усилителя насыщенное, приятное, а bluetooth модуль делает этот усилитель еще и современным, давая возможность проигрывать любимые треки прямо со смартфона.
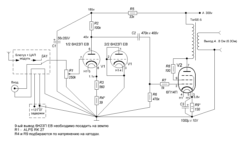
Схема усилителя и его настройка очень проста и не требует ничего кроме мультиметра и собственного слуха.
Не могу сказать, что она рациональна так как одну лампу 6Н23П можно использовать сразу на оба канала. Но у меня в хламовнике нашлись специальные сдвоенные колпаки и мне захотелось их пристроить. Но никто не запрещает Вам развести свою плату и при этом сэкономить около трехсот рублей.
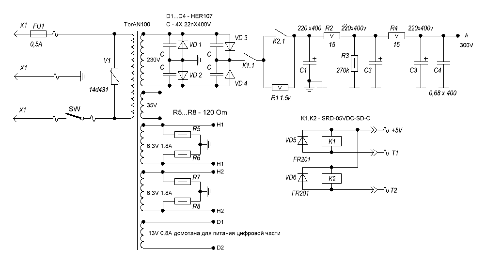
Намучившись с блоком питания в прошлый раз, я решил не изобретать велосипед, а применить уже отработанную схему. Но из-за того, что в корпус, который я приготовил для усилителя, не влезали большие емкости, мне пришлось разбить фильтр питания на две части чтобы повысить его эффективность. Если у вас будет возможность поставить по питанию конденсаторы большей емкости чем у меня, то сделайте это не раздумывая. Также можно увеличить сопротивления R2 и R4 с 15 до 20 Ом. А вот меньше ставить не рекомендую.
Для питания задержки и платы беспроводного модуля мне пришлось домотать на трансформатор дополнительную обмотку на 13 вольт. Если же вы будете делать усилитель без bluetooth модуля, то питание для задержки нужно взять от одной из накальных обмоток и ничего мотать не придется.
Блок задержки, как и раньше, сделан на микроконтроллере. Программа для МК в приложении. Если есть трудности с контроллерами, предлагаю почитать первые два урока по программированию МК. Там как раз разобраны необходимые для прошивки программы, показано как собрать простейший программатор «пять проводков» и зашить программу в контроллер. Ничего сложного.
Стабилизатор для питания задержки (7805) нужно ставить на небольшой радиатор. У меня он прикручен через прокладку к корпусу. Если же вы захотите поставить один радиатор на оба стабилизатора необходимо учитывать то, что «общий» блока задержки не связан с «землей» усилителя, а значит хотя бы один стабилизатор необходимо изолировать через прокладку. Строго говоря стабилизатор для питания bluetooth модуля не нужен. На нем уже стоит свой. Но по описанию, на него надо подавать 12 вольт, вот я и перестраховался.
Для возможности подключать усилитель к телефону я использовал приемник (Bluetooth 5,0) + ЦАП (pcm5102a) купленный на АЛИ. А так как весь корпус у меня из алюминия, то пришлось прикупить еще и внешнюю антенну.
Для индикации работы усилителя использованы два светодиода. Один, тот что идет от блока задержки, показывает процесс прогрева ламп при включении, усилителя, а другой, тот что идет от bluetooth модуля, указывает на то, что модуль подключен к устройству или наоборот, что модуль отключен и на усилитель подается сигнал со входа. Этот индикатор я просто припаял в место светодиода установленного на плате модуля. Переключение входов происходит автоматически при подключении смартфона к модулю.
Настройку усилителя необходимо производить в режиме молчания, нагрузив выход усилителя сопротивлением достаточной мощности и близким к номиналу акустической системы (например, 10-ти ваттными резисторами от 4 до 8 Ом). Начинать надо с подбора резисторов R4. Необходимо установить на катоде лампы 6Н23П около 1.1V. После чего подобрать резистор R9 и установить напряжение на катоде 6П14П около 6V. Чем ближе эти напряжения будут на обоих каналах усилителя, тем лучше. Также можно поиграться конденсатором С3. Чем больше его емкость, тем ярче должны быть низкие частоты. Ну и конечно конденсатор C2. С ним также можно поиграть, но надо помнить, что от его качества напрямую зависит звук. После настройки все добро помещается в корпус. У меня это получилось так.
Между верхней крышкой и креплением стаканов есть небольшой зазор для вентиляции, также являющийся термобарьером, препятствующим нагреву корпуса. Потому как, колпаки для ламп хоть и выглядят брутально, но греются как утюги. Лучше без них и с хорошей вентиляцией. Потому что высокая температура внутри корпуса неблагоприятно действует на электролиты.
Звук усилителя прозрачный, с выраженной серединой и великолепными верхами. Низы безусловно присутствуют, но от таких выходных трансформаторов и полочной акустики ждать чего-то, глубокого и массирующего грудную клетку не приходится.
По цене, на лето 2020-е от рождества Христова, выходит примерно так. Все компоненты усилителя, указанные в схеме, обойдутся около 7 т.руб. Модуль с антенной еще около 1,2 т.руб. Корпус с колпаками для трансформаторов, в моем случае, около 5,5 т.руб. Колпаки для ламп в расчет не беру. Это подарок друга. Не дешево получается, но можно ведь и корпус самому скрафтить и вместо покупных колпаков на трансформаторы аккуратно консервные банки прикрутить. Устанавливая банки на тор не забудьте о том, что если корпус усилителя металлический, то под банку необходимо подложить прокладку что бы не образовывалась замкнутая петля на трансформаторе. TorAN100 можно заменить на ТАН43-220-50 или ТАН57-220-50 (с этими трансформаторами вообще доматывать ничего не надо). Вместо выходных TorSE5 можно смело ставить ТВЗ 1-9. Вместо 6Н23П ставим 6Н2П. Резистор R1 можно взять любой сдвоенный указанного номинала, но я всё-таки рекомендовал бы именно ALPS. Он очень дорогой, но безусловно стоит своих денег. Заменой всех этих компонентов можно легко понизить стоимость усилителя более чем на 50%.
Все моточные изделия и лампы с панельками я покупал в «Истоке». Рассыпуху на радиорынке, а корпус, колпаки к трансам и bluetooth модуль с антенной на «Али». Схемы, разводки плат, программа задержки в приложенных файлах.
А на сегодня всё. Удачи.
29.08.20
Если вдруг найдете в статье неточности или заблуждения. Напишите мне об этом. Я подправлю.
Приложение: Схема, разводка и программа.