
![]() |
Потребовалось мне для лампового усилителя, сделать задержку подачи анодного напряжения. Делов-то. Ан нет, не всё так просто. |
|---|
Набрав в поисковике заветные слова, я получил огромное количество схем задержек на NE555 на логике и на транзисторах. Самая популярная оказалась «классическая» задержка на одном транзисторе.
Я ее тут же смоделировал, и она заработала. Но у этой схемы при всех ее достоинствах оказалось три недостатка. Первый. Чем медленней нарастает напряжение в конденсаторе, тем больше вероятность дребезга реле при включении. Второй. Если нужна полноценная индикация, то приходится дополнять схему еще одним транзистором, что усложняет схему, убивая ее основное достоинство. Третий. Мне не удалось настроить задержку больше чем на несколько секунд.
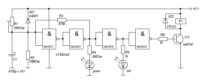
Потом я решил сделать схему на логических элементах.
Проблема с дребезгом при включении реле исчезла, появилась возможность подключения полноценной индикации, которая переключает светодиоды. Но вот увеличить время задержки до 2-х минут я так и не смог. Печаль.
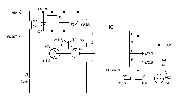
Уяснив для себя, что длительную задержку простыми методами мне реализовать не удастся решил прибегнуть к беспроигрышному варианту - микроконтроллерному управлению. Тут тебе любая индикация и задержка хоть на сутки.
Данная схема достаточно проста, но заточена исключительно под 5-ти вольтовое реле. Для реализации задержки с напряжением срабатывания реле от 12 и 24 вольт эта схема не подойдет. Но ее несложно доработать
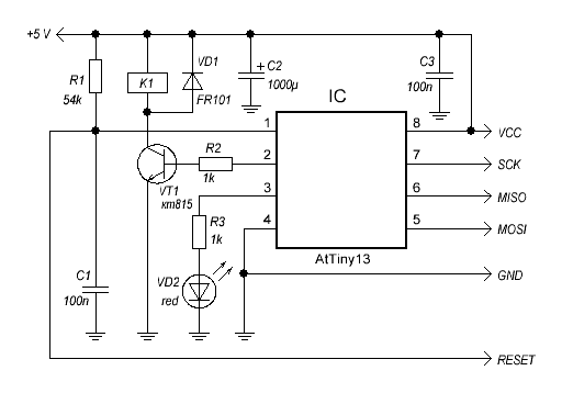
Чтобы изменить время задержки необходимо изменить параметры счетчика.
//Макросы программы
#define TIME_FULL 480 //Максимальное число счетчика времени 65535
Одна секунда задержки - это примерно 4 единицы при частоте 1 МГц и делителе 1/1024. Необходимо сказать еще вот о какой особенности. В схему мне пришлось включить по питанию ёмкость в 1000х6,3. Без нее, при включении реле проходила посадка по питанию, которая сбрасывала контроллер. Конденсатор пришлось воткнуть вместо двух штырьков для подключения питания при программировании. В схеме я все поправил, а плату доделывать не стал.
Вот несколько фотографий моей реализации и видео его работы.
А на сегодня всё. Удачи.
24.10.2017
Для реализации более продвинутой задержки анодного напряжения в моем усилителе, понадобилось управлять двумя реле. Одно включается после прогрева накала ламп, это около одной минуты, и подает напряжение на ограничительный резистор плавного пуска. А второе шунтирует этот резистор после увеличения напряжения на фильтрующих конденсаторах. Это происходит через 15 секунд после включения первого реле.
Вот реализация в железе. Т.к. реле и стабилизатор у меня расположены на общей плате блока питания усилителя, то на фото можно видеть только управляющую часть.
В прилагаемой программе реле включаются одно за другим. Время задержки задаются в строках:
//Макросы программы
#define TIME_K_1 240 //Счетчик задержики первого реле
#define TIME_K_2 64 //Счетчик задержики второго реле
Как было сказано выше одна секунда - это примерно четыре единицы при частоте 1 МГц и делителе 1/1024. Также несложно переделать программу и сделать включение реле независимое друг от друга.
А на сегодня всё. Удачи.
17.01.2018
Если вдруг найдете в статье неточности или заблуждения. Напишите мне об этом. Я подправлю.
Приложение: Схема, проект CV_AVR, разводка платы. 24.10.2017 Схема, проект CV_AVR, разводка платы для двух реле. 17.01.2018