
Как я где-то уже писал, подходить к сборке серьезного лампового усилителя без должной подготовки и опыта дело бесперспективное. Обжегшись, я решил прокачать скилл ламповой техники на более простых и менее затратных устройствах. Поэтому начав с усилителя для наушников я нашел в интернете простенькую схему гитарного предусилителя с оригинальным названием «Томато». А так как у меня есть приятель который играет на гитаре я решил сделать ему небольшой подарок. |
|---|
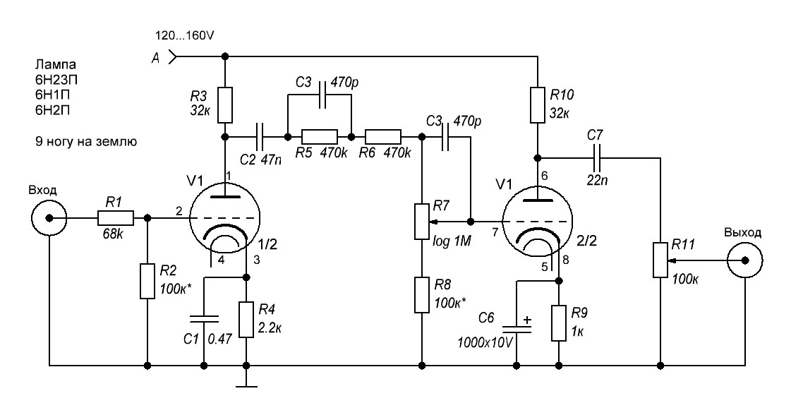
Оригинальная схема была сделана на лампе 12AX7. По отзывам специалистов это хорошая лампа с отличным звучанием, но и с относительно не малой ценой. К тому же эта лампа имеет 12-ти вольтовый накал, что в целом является даже преимуществом, но исключает возможность экспериментов с другими лампами.
Т.к. у меня нет 12АХ7 я решил сделать преамп на 6Н23П. Забегая вперед скажу о том, что выбор лампы был сделан на основании прослушивания ламп 6Н1П, 6Н2П и 6Н23П, которое выявило огромное различие в звучание в пользу последней лампы. Так же не плохое звучание давала 6Н1П, а вот 6Н2П показала наихудший результат.
Есть еще небольшое отличие от оригинальной схемы. Последовательно с переменным резистором R7 было установлено сопротивление R8. Его номинал от 47 до 120 кОм. Оно хоть и немного сужает диапазон регулирования, зато позволяет не сажать на землю второй каскад и делает работу устройства более удобной.
Также резистор R2, шунтирующий вход первого каскада на землю, был заменен на 100 кОм. При установке резистора номиналом 1МОм чувствительность преампа очень велика, и он начинает зело шуметь. На сколько я понял, величину этого резистора необходимо подбирать индивидуально.
Немного о деталях. Все резисторы 0.25 W, конденсаторы на напряжение не менее 250V. Девятый вывод лампы лучше посадить на землю. Так как преамп очень чувствительный к внешним наводкам, то корпус лучше всего также посадить на землю.
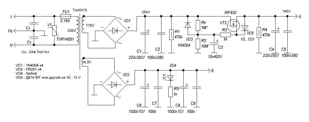
О питании устройства. Оригинальный «Томато» питается от 12 вольтового трансформатора, а анодное напряжение в 120V получается после умножителя. Я не стал мудрствовать и использовал для питания преампа уже проверенную мной схему блока питания.
Единственное, что пришлось добавить к первоначальной схеме, это конденсаторы между питанием и землей (Сх), на высокой стороне, а также варистор (V1)(варистор можно и не устанавливать). Блок питания я сделал в отдельном стандартном корпусе без кнопок. Воткнул в розетку и работай.
Развел платку устройства. Получилась очень даже не большая 78Х78 мм. Но т. к. корпус выбирал чуть позже пришлось платку слегка обрезать по краям на милиметр с каждой стороны.
Корпус для самого приампа взял стандартный алюминиевый. Немного работы сверлом, три слоя краски и вуаля. Все готово.
Вот и всё. Преамп практически не шумит, хорошо передает звук (особенно получается насыщенный бас) и неплохо оживляет музыку, делая свое дело.
Схему и разводку платы предлагаю для скачивания.
22.05.16
Если вдруг найдете в статье неточности или заблуждения. Напишите мне об этом. Я подправлю.
Приложение: Скачать схему и разводку платы преампа