
![]() |
Хочу представить мой вариант воплощения в железе широко известной схемы двухтактного лампового усилителя на EL34 разработанной Анатолием Манаковым. Схему я взял с сайта. Radiolamps.ru. Так как я уже имею печальный опыт неудачной реализации схемы гитарного усилителя JCM800 на этих лампах, то хочу сказать о том, что схема Манакова заработала сразу без танцев с бубном, а вот «Marshall» мне пришлось разобрать на запчасти. Он мне пока оказался не по зубам. :-( |
|---|
Сразу оговорюсь. В предлагаемой схеме отображены номиналы установленных мной элементов. При этом некоторые из них отличаются от указанных в оригинале. Это сделано не потому, что я провел работу по нахождению оптимальных значений, а от того, что у меня не нашлось емкостей и переменных резисторов, рекомендованных разработчиком и я, не мудрствуя лукаво, поставил близкие по номиналу. И вообще я не предъявлял к радиодеталям особых требований.
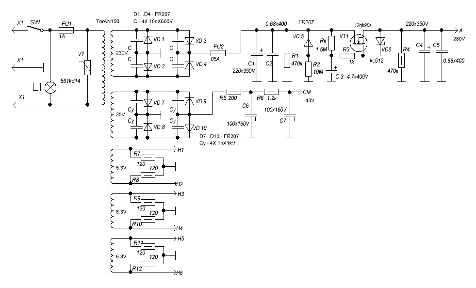
Из-за того, что выходной трансформатор не имеет дополнительных отводов, то я оставил только триодное включение выходных ламп. Но для тех, кто любит по громче можно использовать пентодное включение или найти рекомендуемые трансформаторы. Также напомню о том, что лампы выходного каскада должны быть подобраны парой. Еще на этой схеме вы не найдете фильтрующего конденсатора С8 изображенного на оригинальной схеме. Я про него не забыл. Просто перенес на схему стабилизатора питания.
Выполнять фигуры высшего пилотажа используя «железный» дроссель я пока не готов, поэтому для фильтрации анодного напряжения применил хорошо себя зарекомендовавший «электронный дроссель». Схему смещения оставил без изменений, а накал ламп сделал стандартным. Из-за того, что используемый мной силовой трансформатор имеет три накальных обмотки, то каждой лампочке досталась своя. Выходное напряжение выставляется подбором резистора Rk. Для охлаждения транзистора VT1, в качестве радиатора, я использовал корпус. Надо сказать, что греется он прилично.
При монтаже прошу обратить особое внимание на схему смещения. Т.к. на выходе должно быть отрицательное, по отношении к земле, напряжение, то и диодный мост, и фильтрующие емкости должны быть установлены соответствующим образом. В противном случае можно иметь вполне предсказуемые неприятности.
Почти все элементы схем я разместил на двух платах. Плата усилителя и блока питания.
Всё свободно помещается в стандартном алюминиевом корпусе BO19 (275,0 х 175,0 х 65,0). Платы монтируются к нижней крышке на стоечки, все отверстия через которые проходят провода обязательно изолируются резиновыми вставками, под трансформаторы подкладываются изолирующие прокладки что бы исключить замыкания обмотки на корпус в случае продавливания изоляции. Входной разъем и регулятор громкости, а также кнопку включения питания я разместил сверху т.к. этот усилитель планируется размещать на полу. По вентиляционным отверстиям могу сказать только одно. Их должно быть достаточно.
Ну вот и все. Остается сказать о том, как его настраивать и о субъективном мнении по поводу его работы.
Настройку необходимо производить по методике автора.
В режиме молчания, нагрузив выход усилителя активным сопротивлением достаточной мощности и близким к номиналу акустической системы, настроить входной каскад установив на катодах V1 напряжение 1.8…2 вольта подборам резистора R4. Затем путем регулировки переменных резисторов R10 и R12 установить на катодах V2 и V3 напряжение 0,035…0,04 вольта. Затем подав на сетку V1 1/2 сигнал с частотой около 3 кГц, напряжением 0,5 вольта и регулируя переменный резистор R7 добиться одинакового по величине переменного напряжения на анодах V1.
Фазоинверсный каскад я настраивал с помощью осциллографа.
После настройки усилитель показал замечательное качество звучания и отсутствие посторонних шумов вообще. Звук насыщенный, прозрачный с замечательными низами. Т.к. лампы выходного каскада подключены по триодной схеме, то усилитель не громкий. Но для моей небольшой комнаты его более чем достаточно. И, что самое главное, его хочется слушать.
14.03.2017
Если вдруг найдете в статье неточности или заблуждения. Напишите мне об этом. Я подправлю.
Приложение: Скачать схемы и разводку плат усилителя.