
![]() |
Предлагаемый индикатор можно использовать для измерения, как звукового сигнала, так и постоянного напряжения. Например, напряжения бортовой сети автомобиля. Более того, каждый светодиод можно настроить на свое значение. Один недостаток всего четыре светодиода. |
|---|
Мне потребовалось оценочно измерять потребляемый ток одного устройства. Особая точность не важна, но примерное потребление знать необходимо. Никаких проблем вроде нет, измеряем, напряжение на шунте и по формуле определяем ток. Дело за малым, надо сделать устройство, которое будет отображать измеряемую величину.
Есть много схем светодиодных индикаторов напряжения на транзисторах. Даже у меня в хламовнике нашелся один такой образец.
Также есть специализированные микросхемы, например LM3914 которые качественно и просто обеспечивают подключение 10-ти светодиодов.
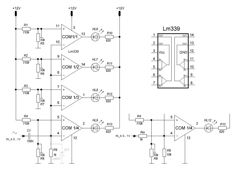
Но также есть и компараторы, на которых можно сделать простую схему с настраиваемыми уровнями индикации. Настроить индикацию можно, на какое угодно напряжение, но вот в одном корпусе компаратора не так много элементов (2 или 4). Т.к. у меня оказался компаратор LM339, то на нем и буду делать индикатор.
Немного о работе компаратора в целом и LM339 в частности можно почитать, например, здесь. Но если коротко, то когда на инвертирующем (-) входе появляется напряжение большее, чем на неинвертирующем (+), выходной транзистор компаратора сажает выход на землю и светодиод загорается. Резисторами R5…R8 можно изменять опорное напряжение и тем самым регулировать параметры, при которых будут загораться светодиоды.
Если необходимо контролировать постоянное напряжение, то на входе вместо конденсатора C1 надо установить резистор Rin и подобрать резистивный делитель Rin-R9 таким образом, чтобы при максимальном измеряемом напряжении на инвертирующих входах компаратора было не выше одного вольта. Например, если входное напряжение 13V, то Rin будет 10кОм, а R9 - 910 Ом.
Если же на индикатор подается звуковой сигнал, то достаточно поставить конденсатор C1. Но если вдруг напряжение на входах будет более одного вольта, то необходимо также предусмотреть резистивный делитель до конденсатора C1.
Если вы не уверены в том, что входящий сигнал не будет иметь отрицательные значения, то параллельно с резистором R9 необходимо установить небольшой диод (например IN4001) анодом на землю.
Я рассчитал параметры сопротивления для необходимых мне опорных напряжений, поэтому моя плата без переменных резисторов. Вы можете сделать также. Но если нужен универсальный индикатор, то лучше установить переменные резисторы.
В прилагаемых файлах две разводки платы, как на постоянных, так и на переменных резисторах.
А на сегодня всё. Удачи.
06.05.20
Если вдруг найдете в статье неточности или заблуждения. Напишите мне об этом. Я подправлю.
Приложение: Схема и разводка.