
![]() |
Сделал прототип ЦАПа на PCM1794 в связке с CS8416, а ему на вход нужен сигнал стандарта S/P-DIF которого на моем компе, с которого я уже давно слушаю музыку, нет. Ну нет, значит нет. Надо чтоб был. |
|---|
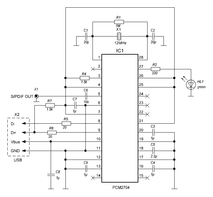
Поискал я по интернету разные схемы чтобы преобразовывать цифровой звуковой сигнал в этот формат, да понял, что выбора то совсем нет. Поэтому с тихой грустью купил микросхему PCM2704 которая является не только 16-ти битным ЦАПом но и по совместительству умеет конвертировать сигнал принятый по USB в тот самый S/PDIF. Поработал с даташитом, выкинув из стандартной обвязки все лишнее, принципиально развёл плату под выводные компоненты и запилил конвертер.
Вот что у меня получилось.
Как не странно всё работает и даже очень неплохо. Индикация работы простая. Пока горит зеленый светодиод все ОК. Если он не горит, то надо перегружать конвертер методом вынь/воткни.
А на сегодня всё. Удачи.
29.06.2018
Если вдруг найдете в статье неточности или заблуждения. Напишите мне об этом. Я подправлю.
Приложение: Схема и разводка платы.