
![]() |
Не один из маломальских фильмов, где есть какой-то технический нерд, не обходился без ламповых часов в обстановке его рабочего места. Вот и я решил, что мне обязательно нужны такие часы. И чтобы цифры оранжевые и округлые. |
|---|
Я как-то давно (уже более 10-ти лет назад) сделал себе часы на ИВ-12, которые и сейчас работают верой и правдой. В них есть функция будильника, а также изменение яркости индикации в зависимости от освещенности помещения, три кнопки для быстрой настройки и, конечно, резервное питание на случай отключения электроэнергии. Эти часы меня полностью устраивают, но все же декорацию пора обновить.
Имея достаточный опыт эксплуатации такого устройства, я пришел к выводу, что кроме индикации точного времени от него ничего больше не требуется. Будильником я пользовался за все это время один или два раза, а устанавливал или корректировал время не чаще чем пару раз в год. Т.к. часы находятся не в спальне, то и изменение яркости, фишка так себе, хотя и прикольная. Единственное, о чем я не разу не пожалел, это функция резервного питания. Она всегда выручала при отключении электроэнергии. Хотя это происходило и не часто.
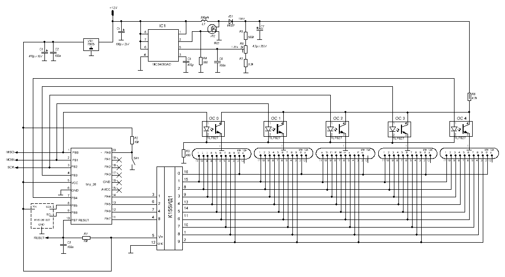
Посмотрев предлагаемые в интернетах схемы, я понял, что на круг все они одинаковые и самое главное в них, по мимо старомодных ламповых индикаторов, это преобразователь с 12 до 160 вольт и двоично-десятичный дешифратор к155ид1 (SN74141) с высоковольтным выходом. Остальное всё, как и в других часах, МК с часовым кварцем или модулем реального времени, стабилизатор напряжения питания и кнопки управления.
По началу я планировал использовать кварц на 32.768 кГц, но потом решил, что, прикрутив к МК модуль RTS, убью двух зайцев зараз. Обеспечу точное время и резервное питание одновременно.
Схема преобразователя собрана на MC34063AD и FR320. Обвязка преобразователя слегка упрощена ввиду небольшой рабочей мощности (около 200 mW). FR320 SMD транзистор выдерживающий напряжение в 400V с гигантским запасом по току. Если потребуется скорректировать частоту работы преобразователя необходимо изменить емкость конденсатора С5.
Для отображения цифр я использовал индикатор ИН-12А, а для центрального знака ИН-15А. Можно было бы сделать индикацию работы часов по классике, использовав два ИНС-1, но я предпочитаю моргающее тире для отображения секунд. К тому же на этом индикаторе есть и другие символы которые можно использовать в разных обстоятельствах.
Для крепления индикаторов я использовал стандартные панельки, закрепленные на распечатанных из PET-G шасси. В сети я видел, что такие индикаторы монтируют непосредственно на текстолит, но попытавшись развести плату под них, понял, что хорошо я сделать этого не смогу т.к. расстояния между дорожками в некоторых местах будут очень маленькими. Поэтому всё по классике, на панельки и проводками.
Преобразователь и управление размещено на одной плате. Т.к. я не фанат SMD монтажа, то решил использовать переходники для микросхем и только силовой транзистор находится со стороны дорожек. Разъемы индикатора я разместил с обоих сторон платы так, что если у кого получится развести плату для монтажа индикаторов, то их можно будет попытаться состыковать через разъемы.
Монтаж целесообразно начинать с преобразователя. После того как все его детали смонтированы необходимо подать 12 вольт и вращая резистор R6 выставить на конденсаторе С7 напряжение 150…160 вольт. После чего установить на плату все остальные элементы.
При программировании контроллера не забудьте проверить правильность установленных фьюзов согласно таблице указанной в описании файла Clock_IN_12.c. Частота МК должна быть 1МГц.
Сборка часов осуществляется сэндвичем через стоечки. Между передней и задней панелью вставляется проставка кожуха и стягивается двумя винтами на задней панели. Все чертежи и файлы для печати есть в приложении в папке «body».
При первом включении часов на индикаторах может отображаться некая дичь. Чтобы проинициализировать модуль RTS необходимо при включении часов в розетку держать кнопку настройки нажатой. При этом память модуля реального времени обнулится, а часы войдут в режим настройки времени. Но если вдруг часы не выдут в режим настройки а на индикаторах отобразится «99%99», это сигнал о том, что МК не может связаться с модулем RTS.
Изменение времени осуществляется короткими нажатиями на кнопку. Все переключения между настройками происходят по долгому нажатию на кнопку. В режиме настройки времени центральный индикатор будет отображать букву «n» а настраиваемый параметр будет моргать. При индикации времени на центральном индикаторе в такт проходящим секундам будет моргать знак «минус».
В приложенных файлах схема (.spl7), разводка плат (.lay6), файлы для печати, а также программа под CV_AVR и прошивка.
Вот как-то так.
А на сегодня всё. Удачи.
27.08.2024
Если вдруг найдете в статье неточности или заблуждения. Напишите мне об этом. Я подправлю.
Приложения: Схема, разводка плат, файлы дял печати, программа под CV_AVR, прошивка.