
О том, как сделать печатную плату (ПП) не писал только ленивый. Вот и я тоже хочу внести свою лепту и рассказать о том, как и чем делаю ПП у себя дома и при этом не вызываю недовольство жены. К сожалению, я еще не достиг должного levelа в производстве и делать двухсторонние платы пока не умею, а скорее всего просто не было нужды. Поэтому ограничусь рассказом о полном цикле производства односторонних печатных плат в домашних условиях из фольгированного текстолита. |
|---|
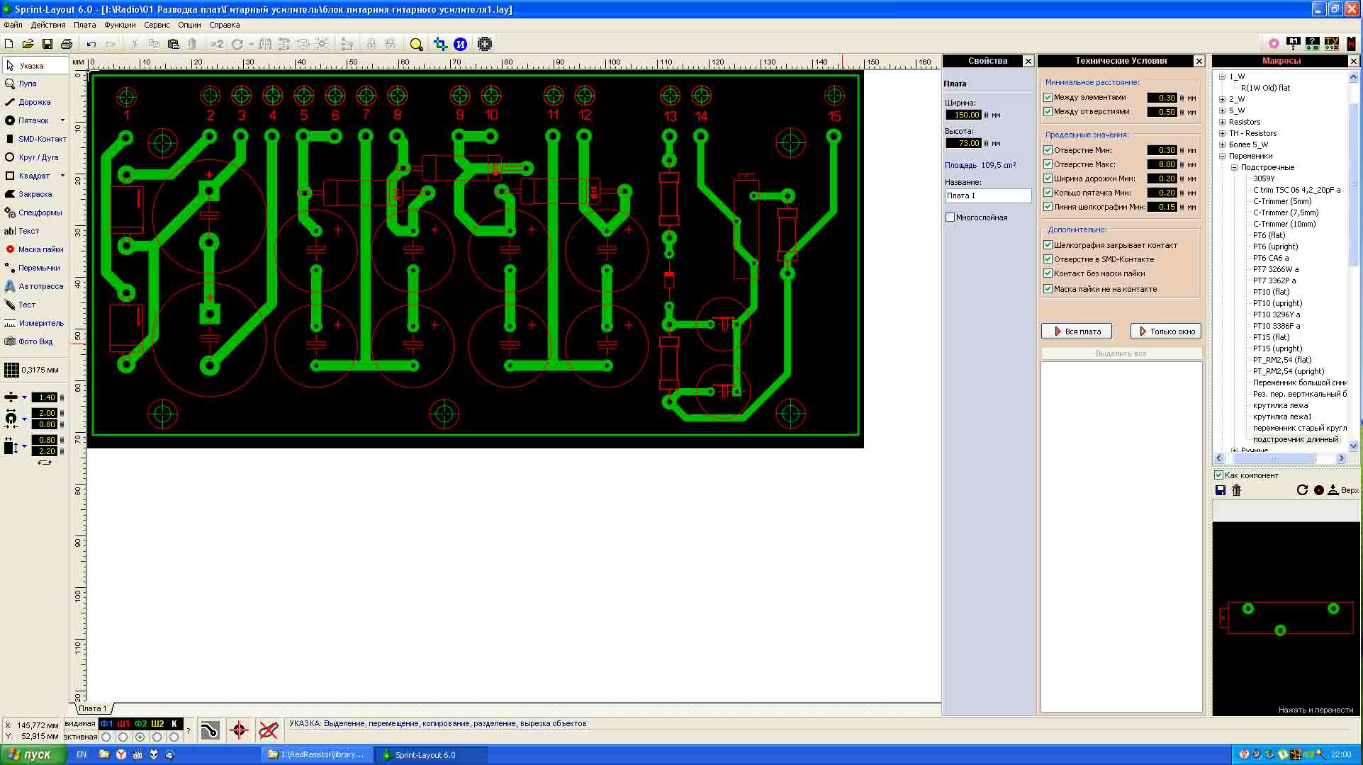
Начнем с того, что сделаем макет будующей платы в электронном виде. Для этого я пользуюсь программой Sprint-Layout 6.0 RUS ее можно свободно скачать из интернета. Это очень простой в освоении, но достаточно мощный редактор с обширной библиотекой и набором функций для разводки одно или двусторонних печатных плат. К сожалению эта программа не снабжена достойным автотрассировщиком поэтому всю разводку приходится делать вручную. Но из-за понятного интерфейса и простоты использования эта программа очень хорошо подходит для небольших радиолюбительских проектов.
После того как плата разведена ее надо напечатать и перевести на заготовку из фольгированного текстолита. Печатаем на лазерном принтере черным тонером с максимальной плотностью на бумаге, которая не дает тонеру глубоко в себя проникнуть. Обычно это страницы глянцевых журналов, подложки от самоклеящейся бумаги или специальная бумага, предназначенная как раз для переноса рисунков, сделанных на лазерном принтере. Специальная бумага, от китайских производителей, очень похожа на подложку самоклейки, но тонер на ней держится чуть лучше.
Немного о подготовке медного покрытия к переносу. В этом вопросе сколько людей столько и мнений. Но все сходятся к тому, что медная поверхность должна быть очищена и обезжирена. От окислов медь зачищается либо мелкой шкуркой, либо ластиком. Так же медь можно протереть нашатырем. Жир хорошо снимает спирт или бензин «калоша». Главное, чтобы после обработки на поверхности заготовки не было глубоких царапин, непонятных разводов и отпечатков пальцев. Последние больше всего вредят травлению.
Для качественного перевода рисунка я нагреваю утюг, выставив положение регулятора на две точки. При этом мой утюг не перегревает тонер и тот, в свою очередь, не расползается по плате. Точная температура подбирается опытным путем индивидуально.
Итак, совмещаем рисунок печатной платы с заготовкой и после нагрева утюга аккуратно прижимаем его к заготовке и хорошенько её прогреваем. Иногда я прокладываю между утюгом и шаблоном писчий лист бумаги. Это помогает не сдвигать шаблон при его нагреве. После прогрева, заготовку с прилепленным к ней листком, либо отправляем в ванночку с теплой водой, либо, в случае использования специальной бумаги, аккуратно снимаем листок с заготовки.
Если вы решили перевести рисунок с помощью страниц "Playboy" :-) или другого глянцевого журнала, то после того как прошлись утюгом необходимо немного подержать будущую плату в теплой воде, чтобы бумага размокла и ее можно было аккуратно смыть с заготовки.
Вот что у нас должно получиться. Если вдруг при переносе был допущен незначительный брак, (разрыв дорожки, в некоторых местах не до конца переведен рисунок и т.д.) то дорисовываем дорожки специальным маркером (я использую Edding 780) или наоборот если появились перемычки прорезаем их шилом или скальпелем. При значительном браке смываем ацетоном тонер и повторяем все сначала.
После того, как мы удачно перевели рисунок на заготовку необходимо подумать и о травящем растворе. Но по правде сказать на эту тему думать особо не приходится т.к. основ для травящих растворов эффективных и доступных в быту не так уж и много: хлорное железо, медный купорос и перекись водорода. Хлорное железо можно достать в любом радиомагазине. Оно очень хорошо травит, его на долго хватает, но оно имеет одно неприятное свойство. Ржавые пятна от капель очень сложно отмыть. Медный купорос тоже доступен. Его можно купить во многих хозяйственных магазинах, специализирующихся на саде-огороде и комнатных растениях. Там он используется как удобрение и средство от грибковых заболеваний у растений.
Но на мой взгляд самым доступным, безопасным и чистым способом травления является раствор перекиси водорода с солью и лимонной кислотой. 3-х% перекись водорода можно свободно купить в аптеке и там же можно купить таблетки гидроперита (перекись водорода с мочевиной) если вдруг не окажится самой перекиси. Соль и лимонную кислоту покупаем в продуктовом магазине. Для приготовления раствора я использую: - 100 мл. перекиси водорода (или 8 таблеток гидроперита расстворенных в 120 мл. воды); - 1 чайную ложку соли без горки; - 2 чайные ложки лимонной кислоты. Все это перемешивается до полного растворения. 100 мл. раствора хватает примерно, чтобы качественно стравить медь с квадратика 10х10 см.
При травлении раствор нагревается и иногда может закипеть. Не стоит доводить до этого т.к. это полная потеря платы. Если вы видите, что раствор стал темно-зеленым и закипает выньте плату и сделайте новый раствор. Раствор одноразовый и после использования сливается в каналью.
Не могу не упомянуть о маленькой хитрости при травления в этих растворах. Для того, чтобы плата травилась быстро необходимо чтобы заготовка лежала на растворе медью вниз. При этом ее необходимо раз в 2...3 минуты поднимать и просматривать на наличие воздушных пузырей, которые вызывают непротрав.
После того как плата полностью протравлена, ее надо сполоснуть под струей холодной воды и с помощью ватного тампона или диска, смоченного в ацетоне, смыть тонер. Если медь после травления потускнела, то дорожки можно протереть ластиком или ватным тампоном смоченном в нашатыре. Внимательно смотрим нет ли перемычек и, если есть аккуратно прорезаем их шильцем или резачком, сделанным из обломка ножовки.
В сущности, плата готова. Можно делать отверстия и монтировать элементы. Но для удобства монтажа, а также для предотвращения окисления меди, дорожки лучше облудить. Так они будут защищены от коррозии и припаивать к ним элементы будет одно удовольствие. Лудить лучше всего до того, как вы начнете сверлить отверстия. Почему до? Потому, что если лудить (припоем или сплавом Розе) после сверления, то многие отверстия затянет оловом и их придется от него очищать. А это не так уж и легко. Поэтому лудим до сверления.
Для домашнего лужения можно смело использовать три опробованных метода. Первый. Лужение с мощью жидкого олова. Информацию о нем можно найти в интернете. Этот процесс не занимает много времени дорожки покрываются микронным слоем олова и становятся матово белесые. Паяются такие платы хорошо. Но жидкое олово очень капризно в части хранения, поэтому чтобы не вылить купленную бутылку в туалет храните ее в теплом, темном месте подальше от детей.
Второй способ стар и надежен. Сороковатным паяльником размазываем припой по дорожкам предварительно обработав плату жидкой канифолью. Способ самый надежный, но не самый быстрый и эстетичный. К тому же существует опасность перегреть дорожки и лишится платы. С другой стороны, слой припоя позволяет усилить дорожки и в случае небольших трещин или перетрава исправить этот брак.
Третий способ - это лужение сплавом Розе. Этот сплав также, как и хлорное железо продается в любом уважающем себя радиомагазине.
Его особенность в том, что он начинает плавится при температуре в 94 градусов Цельсия. То есть поместив его в миску с водой и доведя воду до кипения мы получим среду, в которой сплав будет жидким и его можно будет размазать кисточкой или тампоном по дорожкам. Для улучшения процесса в воду необходимо добавить немного лимонной кислоты. Лудить таким способом можно лишь те платы, элементы которых не подвергаются высокому нагреву.
После того, как плата облужена переходим к сверлению. Поначалу я сильно мучился со сверлением отверстий пока на митинском рынке не купил небольшой станочек с прикрученным к нему моторчиком.
Цанговый зажим, который продаётся с ним, не позволяет зажимать сверла разного калибра и поэтому я начал использовать специальные сверла, сделанные как раз под калиброванные цанговые зажимы, с диаметром хвостовика 2мм.
Со временем пришло понимание того, что сверла с хвостовиком 2 мм. не так легко найти и я перешел на сверла с хвостовиком 3.17мм. Эти сверла более распространены и к тому же их можно заказать на Али за вполне вменяемые деньги.
Если хотите, чтобы плата была похожа на заводскую, то до сверловки можно перевести на сторону с элементами рисунок с обозначением монтируемых элементов. После того как рисунок переведен его необходимо покрыть лаком, например, Цапоном. И только после этого приступать к сверлению отверстий. Но я считаю, что это уже излишне для любительской платы.
Вот вкратце полный цикл изготовления печатных плат приемлемого качества в домашних условиях. О тонкостях каждой из операций есть много информации в интернете. Главное знать, что искать.
А на сегодня всё. Удачи.
06.01.16
Если вдруг найдете в статье неточности или заблуждения. Напишите мне об этом. Я подправлю.