
![]() |
Проверив работу темброблока на аудиопроцессоре TP2313 мне захотелось его послушать. А значит пришло время собрать усилитель. |
|---|
Для этого у меня давно была припасена TDA8560 выдернутая из какого-то почившего в бозе музыкального центра. Характеристики у нее очень даже не плохие, к питанию не привередлива, обвязка минимальная и свои 18 ватт на канал при 4 Омах микросхема вполне выдает.
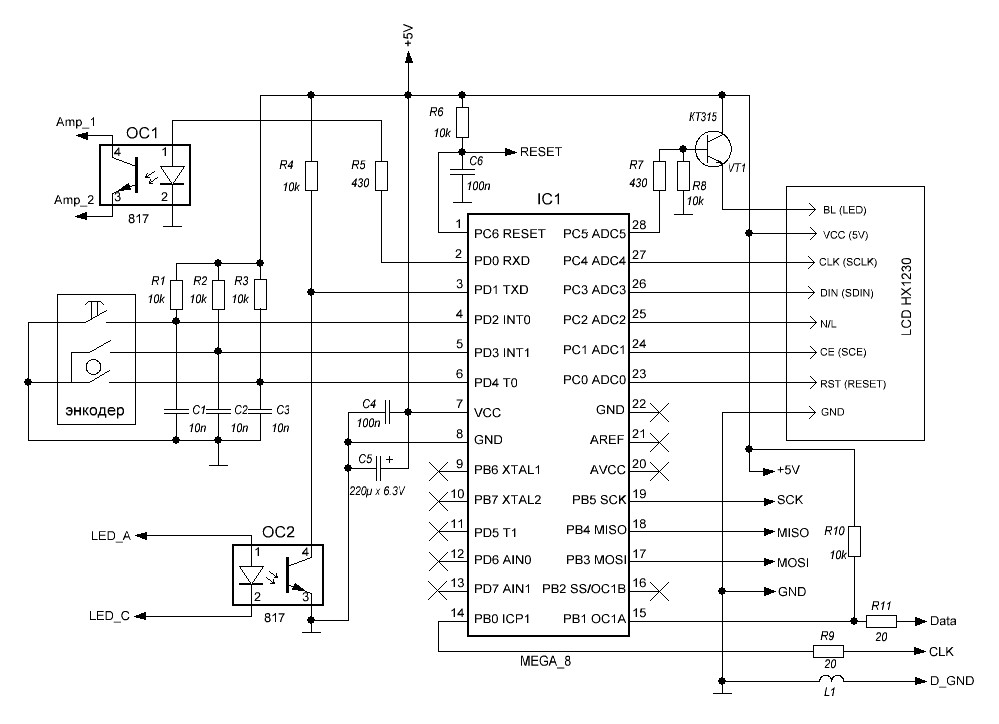
Так как в качестве темброблока я использую аудиопроцессор, для его настроек требуется микроконтроллер, а значит блокировку усилителя, и указатель перегрузки я, недолго думая, тоже «прикрутил» к блоку управления.
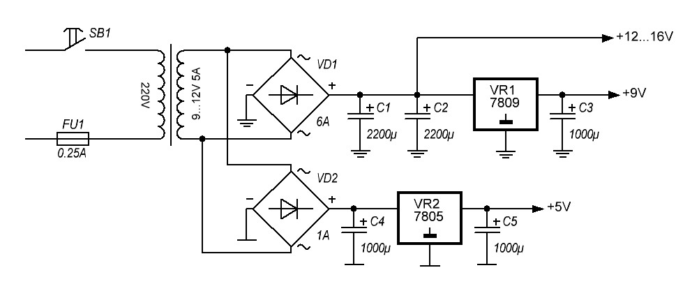
Питание аналоговой и цифровой частей раздельное. Мощность тороидального трансформатора, который оказался в моих закромах, около 50 ватт (4.3А 12V). Судя по расчетам такой мощности должно хватить для работы на 4-х омную нагрузку. Диодный мост поставил с запасом на 6А, на него я прицепил небольшой радиатор.
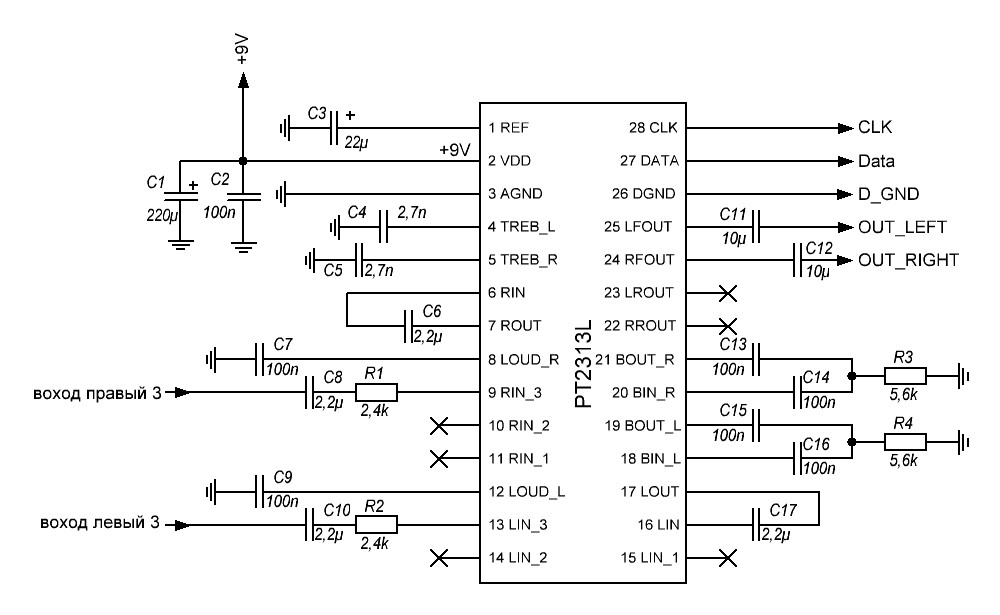
Схема предусилителя взята из даташита на PT2313. Я только убрал некоторые элементы, которые в данном проекте не нужны, а конкретно выходные емкости тыловых каналов и входные группы первого и второго канала. Полную схему можно посмотреть здесь или в даташите на аудиопроцессор.
Схему обвязки усилителя я немного скорректировал для работы с блоком управления аудиопроцессора. Транзистор включения усилителя (VT1) открывается по сигналу оптопары OC1 которая указана в схеме блока управления. Цепь контроля работы усилителя (VT2) наоборот подает сигнал о том, что усилитель работает без искажений через ОС2. Кстати, обратите внимание на то, что я использую транзистор VT2 с обратной проводимостью, а не с прямой, как в классической схеме. Это сделано для того, чтобы при работе усилителя сигнал этой цепи подавался на светодиод оптопары OC2 постоянно. Таким образом достигается непрерывный контроль работы этой линии. И в случае превышения максимальной громкости или выхода из строя компонента цепи на МК придет сигнал неисправности. При получении одиночного сигнала контроллер автоматически понизит уровень громкости на единицу, а если сигнал не пропадёт он понизит громкость до минимума и запретит работу усилителя выведя на экран «ERROR». Для корректной работы цепи контроля необходимо подобрать сопротивление R5. Чем меньше сопротивление, тем чувствительней будет контроль и возможны ложные срабатывания.
«Сердцем» блока управления является MEGA8. В качестве дисплея используется не очень популярный, но очень неплохой, модуль HX1230. Обзор на него есть тут . Прошивка имеет меню регулировки: громкости, басов, высоких, баланса и общего усиления. Переключения между экранами меню происходит по короткому нажатию на кнопку энкодера. По долгому нажатию кнопки программа переключается в меню регулировки громкости звука. Настройка параметров осуществляется вращением ручки энкодера.
При регулировке громкости новые значения записываются в память МК не сразу. Для отображения задержки записи на экране отображается буква «S». Если в это время на МК поступит сигнал превышения мощности, то уровень громкости вернется к значениям, установленным до регулировки.
При любых изменениях настройки включается подсветка экрана, которая автоматически гаснет через определенное время.
При подаче питания на усилитель на экране отображается счетчик небольшой паузы перед подачей сигнала включения усилителя.
Усилитель упакован в алюминиевый бокс 250х130х60. В качестве радиатора для TDA8560 используется верхняя крышка корпуса через слюдяную прокладку.
К сожалению, у меня нет настольного фрезерного станка, поэтому оформить переднюю панель аккуратно не получилось. Пришлось печатать накладку и закрывать крепления блока управления и кривое обрамление экрана.
Вот вроде всё. Усилитель получился очень компактный, а за счет трансформатора и металлического корпуса тяжеленький. Прям как говорится – «берёшь в руку маешь вещь». Что касается звука. Понятно, что за аудиофилию мы здесь не говорим. Но звук прозрачный со своим оригинальным окрасом. Есть выразительные басы, много верхних частот и все это очень хорошо регулируется. В целом звук очень похож на тот, который мы слышим в хороших автомобильных аудиосистемах. Что в общем-то и понятно.
Ну а на сегодня все. Удачи.
22.08.2024
Если вдруг найдете в статье неточности или заблуждения. Напишите мне об этом. Я подправлю.
Приложение: Схема, разводка плат, программа, прошивка.