
![]() |
Насмотревшись видосиков на ютюбе о том, как ребята восстанавливают старые Советские усилители я тоже решил, что мне необходимо в это поиграться. Не то что бы мне нужен был усилитель, а просто потому, что очень захотелось. Недолго думая, я поспрашивал у своих друзей не завалялся ли у кого старый усилитель. И о, удача! У приятеля оказался не востребованный Амфитон 50 У 202С и даже в рабочем состоянии. |
|---|
О том, как я восстанавливал и модернизировал старый советский усилитель 35-ти летней давности и что необходимо сделать с ним, чтобы он снова заиграл как новый, а может даже и лучше, я сейчас расскажу. Может быть, после прочитанного, кому-то захочется повторить сделанное мной или появятся мысли переделать свой, другой, усилитель.
Сразу оговорюсь о том, что этот усилитель я восстанавливал для себя, поэтому не был ограничен во времени, не жадничал и менял в нем все что мне не нравилось, а не только пятиштырьковые межблочными звуковые разъемы и высохшие конденсаторы. Также я оснастил усилитель разного рода плюшками, подтянув его к современным «стандартам» полного усилителя.
К большому сожалению при осмотре попавшегося мне в руки образца было выявлено то, что делали его в 91 году из того, что оставалось перед развалом Советского Союза. Конденсаторы какие попало, где пленка, где керамика, резисторы разномастные, а номиналы переменных резисторов вообще далеки от указанных в схеме. Провода питания от трансформатора к платам оконечных усилителей разные по сечению, оплетка сигнальных проводов сильно окислилась, а в некоторых местах превратилась в труху. Короче мрак. Как этот аппарат еще работал? Одному Богу известно.
В первую очередь, я разобрал аппарат буквально до винта. Выкинул встроенный фонокорректор. Аккуратно помыл платы и элементы корпуса. После чего, прямо не глядя, заменил все электролитические конденсаторы на близкие по значению современные аналоги. Некоторые емкости, установленные по питанию, поставил большего номинала. Затем, обмазав платы флюсом, хорошенько пропаял их. Это надо сделать обязательно, потому как детали после промывки могли потерять контакт из-за деградационных процессов, проходивших долгое время в местах пайки.
Чтобы настройка усилителя не отнимала много времени и нервов, необходимо заменить подстрочные резисторы R9, R9’ плате предусилителя, а также R5, R5’ и R21, R21’ на платах оконечных усилителей, на многооборотные. Ещё желательно поднапрячься и подобрать транзисторы VT2, VT4 (КТ3107Б) парами по коэффициенту усиления по току (h21) и заменить их на платах оконечных усилителей.
Закончив с заменой, я хорошенько отмыл всё спиртобензином, ну а потом, положив новую термопасту под выходные транзисторы, используя новые провода, начал собирать усилитель заново.
В процессе сборки были заменены входные звуковые разъемы, а также разъемы на колонки. Была переработана входная группа по питанию. Вместо дополнительной розетки был установлен стандартный разъем IEC 320 C14 для подключения питающего кабеля, ну и антенна для передачи музыки по вluetooth каналу.
Также были выпаяны, разобраны, почищены и смазаны резисторы громкости, баланса и тембра. О том как это сделать есть много роликов на ютюбе. Кнопки передней панели также были смазаны. Выпаивать их я не стал. Не благодарное это занятие. Т.к. резисторы собраны с помощью завальцованных трубок и после разборки их использовать сложно, я собирал резисторы при помощи винтов М1,5х18. Сразу скажу, что разборка и смазка переменных резисторов то еще мутное занятие, но оно того стоило.
На место встроенного фонокорректора был установлен селектор на 4 канала сделанный на реле. Выбор каналов производится штатным переключателем Амфитона с той лишь разницей, что теперь он не коммутирует на прямую входы усилителя, а включает необходимое реле.
Для возможности переключать все входы усилителя необходимо использовать обе контактные группы одного из каналов стереопереключателя. Для включения 1, 2 и 4 каналов используется основная группа. Для включения третьего канала необходимо использовать дополнительную контактную группу при этом надо обязательно перерезать дорожку замыкающую 3 и 4 каналы. См. оригинальную схему усилителя. Схема селектора и разводка платы находятся в приложенных файлах.
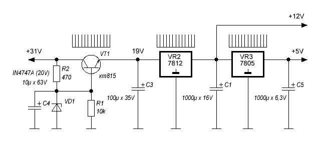
Для питания селектора и вluetooth модуля мне пришлось понизить напряжения питания с 31 до 5 вольт. Сначала я подумал, что буду использовать маломощные преобразователи, но найдя у себя пру стабилизаторов 7812 и 7805 решил применить их.
LM7812 может сразу понижать напряжение с 31 вольта до 12, но для этого ей потребуется хорошее охлаждение. Поэтому для снижения тепловой нагрузки при понижении напряжения я включил промежуточное звено, которое предварительно понижает напряжение с 31 до 20 вольт, а вот затем уже до 12 вольт. Но даже при таком подходе радиаторы транзистора и LM7812 неплохо так греются.
По началу, вместе с вluetooth модулем, я хотел разместить еще и простенький ЦАП (PCM2702E), но подумав понял, что пользоваться встроенным ЦАПом буду очень редко, а может быть и никогда. Значит и ставить его нет никакого смысла. Лучше пусть будет три полноценных входа и возможность слушать музыку с телефона.
Используя кнопку фильтра «9 кГц» и немного изменив схему, реализовал отключение колонок. Это удобно, когда надо послушать музыку только в наушниках. При этом, в качестве индикатора включения этой функции, загорается перегрузка левого канала. Необходимые доработки смотри в прилагаемой схеме.
После сборки, перед первым включением, необходимо еще раз проверить правильность подключения сетевой части. А лучше всего включить усилитель через 100 ваттную лампочку. Если лампа не загорелась и ничего не задымилось, значит можно продолжать настройку. Также, для настройки усилителя, ни в коем случае не надо подключать колонки. Вместо них необходимо использовать резисторы на 4 или 8 Ом. Ватт так на 20…50.
Настройка усилителя производится в следующей последовательности.
Во-первых, после подачи питания, необходимо проконтролировать напряжение на конденсаторах С1, С2, С4, С5 (см. прилагаемую схему). Оно должно быть в районе от 26 до 31 вольта. Чем меньше разброс этих напряжений по каналам, тем лучше. Повлиять на это напряжение очень сложно. Как есть так есть. Затем регулируя резисторы R8, R11 необходимо установить напряжения питания на плате стабилизатора (А5) в точках 4 (+31V) и 9 (-31V) относительно общей шины (точка 6). Желательно с точностью до десятой вольта. Также необходимо проконтролировать напряжение +12V и +5V после стабилизаторов для питания блютуз-модуля и селектора каналов (в том случае если были переделки).
Во-вторых, вывернув ручку громкости на минимум и ничего не подавая на вход усилителя регулируя резисторы R9 (R9’) модуля А2 необходимо установить на базах VT5, VT6 (VT5’, VT6’) равные напряжения в районе 0,7 вольт на обоих каналах. Желательно с точностью до сотых долей.
В-третьих, необходимо выставить «0» на выходе оконечных усилителей (А3, А4). Регулируя резистор R5 (R5’) добиваемся в т.10 показания напряжения максимально близкое к нулю.
В-четвертых, необходимо выставить ток покоя. Регулируя резисторы R21 (R21’) выставляем напряжение 40 мV между эмиттерами VT3 - VT4 (VT3’ - VT4’).
После того как настройка была закончена требуется дать поработать усилителю не менее 30 минут. Его радиаторы должны слегка нагреться. После прогрева усилителя необходимо заново провести контроль всех параметров и в случае необходимости скорректировать их.
Вот и все. Теперь можно наслаждаться музыкой.
Усилитель понятный, простой, звучит неплохо и имеет своеобразный окрас, характерный для усилителей той эпохи. Да…да… Именно так. Я даже поностальгировал по лихим девяностым, на которые пришлась моя юность и максимальное погружение в музыку. Тогда у меня была двухкассетная Нота – 220С, Кумир У001 и Radiotehnika S50.
А на сегодня всё. Удачи.
P.S. Все приложения в конце страницы.
12.05.24
Звучание Амфитона навевало на меня приятные воспоминания, и я решил, что надо продлить эти мгновения подольше. И в общем, пару месяцев, юзал усилитель по максимуму.
А в какой-то момент стал замечать резкое ухудшение звука. Ни с того ни с сего могли пропасть верхи, или стать тише один из каналов, или появлялся какой-то непонятный шорох. По началу это исправлялось простым поворотом регулятора громкости, но в какой-то момент регулятор пришлось крутить очень долго чтобы избавится от артефактов.
Зная как по-дурацки устроен родной регулятор громкости в этих усилителях решение проблемы плохого звучания было очевидным. Надо менять регулятор. Но вот ведь засада, этот регулятор сделан со специальным отводом для линии тонокомпенсации.
На Али ALPS от китайских производителей с отводом для тонокомпенсации есть, но их качество очень сомнительное. С другой стороны японских ALPSов с отводом я не нашел. Поэтому решил, в топку эту тонокомпенсацию. Я все равно ей не пользуюсь. Может как-нибудь со временем куплю резистор с отводом и протестирую, ну а пока взял правильный переменник на 250 кОм и заменил недоразумение, стоявшее в усилителе.
Установка нового регулятора особых проблем не вызвала. Для него необходимо просверлить в фальшь-панели отверстие 3.2мм под штырек предотвращающий проворот резистора, а также пришлось напечатать центрирующую шайбу для того, чтобы разместить резистор в крепежном отверстии. Родное отверстие 12 мм., а диаметр резьбовой части на резисторе 8мм.
Длинны штока резистора хватает чтобы на него без проблем закрепить ручку регулятора громкости. Но т.к. шток не имеет лыски, а портить его я не хотел, пришлось немного поработать надфилем и округлить отверстие в пластиковом переходнике, на который надевается ручка регулятора. Пластик налез на шток с небольшим натягом, что в общем предотвращает проворот ручки относительно штока. И это хорошо.
Тонокомпенсация, конечно, после замены не работает и трещотки нет. Но зато звук приобрел небывалую до селе прозрачность. Поэтому тем, кто до сих пор использует данные усилители рекомендую, не задумываясь менять родной регулятор на что-нибудь более серьезное. Не пожалеете.
И ещё. После замены регулятора громкости осталось еще одно слабое звено. Это конечно выходное реле. Его я тоже со временем обязательно заменю. За тридцать лет контакты с гарантией окислились, и то, что оно еще работает не его заслуга, а следствие того, что я не нагружаю усилитель. При более менее серьезной мощности, уверен, окисленные контакты дадут о себе знать. Конечно, можно разобрать его и почистить контакты, но это полумера. Выходное реле таких древних усилителей надо менять.
А на сегодня всё. Удачи.
29.09.24
Если вдруг найдете в статье неточности или заблуждения. Напишите мне об этом. Я подправлю.
Приложение: Схемы, разводка плат.