
Если Вы хотите обучаться программированию микроконтроллеров, но попали, сюда не прочитав предыдущих уроков, то советую начать изучение материала с самого начала.
![]() |
Сделанный на предыдущем уроке программатор отлично работает с PonyProg 2000 (РР). Качаем программу и устанавливаем ее на свой компьютер. |
|---|
При запуске программы из колонок раздается зычное ржание, а на экране появляется вот такая картинка. Подключаем наш программатор к параллельному порту и настраиваем.
Заходим в меню Setup/Interface Setup и устанавливаем параметры так, как они изображены на фото. После чего жмем OK. Проводим калибровку. Заходим в меню Setup/Calibration и нажимаем Yes на выпавшем меню. После завершения процесса калибровки должно появиться меню с надписью «Calibration OK»
Рассмотрим основные кнопки меню.
Итак, верхние значки слева на право. Открыть новое окно. Открыть файл. Открыть файл (запись только во Flash). Открыть файл (запись только во EEPROM). Записать данные в файл. Записать только Flash в файл. Записать только EEPROM в файл. Перечитать файл. Запустить скрипт. Печатать из буфера. Настроить программатор. Справка. Выбор микроконтроллера.
Нижние значки слева на право. Прочитать всю память МК. Прочитать только Flash. Прочитать только EEPROM. Записать всё в память МК. Записать только Flash. Записать только EEPROM. Стереть всю память МК. Настроить Fuse биты. Внимание!!! Не меняйте ничего в этих настройках пока не разберетесь, что к чему. Установить серийный номер. Запустить программу на МК. Описание МК.
Вот пока все, что нужно знать о управляющих элементах программы. Теперь перейдем к микроконтроллеру и рассмотрим схему его подключения с минимальным внешним обвесом.
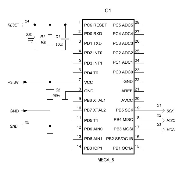
Строго говоря никаких навесных элементов можно было бы и не ставить. МК и без них будет работать, но хорошим тоном считается установка небольшого конденсатора С2 непосредственно у ножек питания (Vсс и GND), а также установка цепи R1-C1 на выводе RESET. Емкость С2 сгладит возможные кратковременные импульсы и помехи проходящие по сети питания, а цепь R1-C1 не позволит сбросить микроконтроллер от сторонней наводки на вход RESET, а также в момент подачи питания на доли секунды задержит запуск МК, что позволит контроллеру обеспечить правильный пуск. Чуть позже, когда мы дойдем до изучения конфигурационных битов, мы увидим, что время задержки включения контроллера также можно скорректировать с помощью внутренних настроек МК. Кнопка, установленная в цепи RESET, позволит, не отключая питания, сбросить микроконтроллер. В некоторых схемах эта кнопка применяется для того, чтобы вывести МК из спячки. Но об этот позже. Еще я установил электролит 1000мкф х 10 V по питанию (на схеме не обозначен). Его можно не ставить, но, если надумаете, обязательно проверьте полярность.
Итак, собираем на макетной плате схему. Особое внимание уделяем правильному подключению питания (+3,3v – Vcc 7-ая нога, общий – GND 8-ая нога)!
Подключая программатор следим за правильностью соединений. SCK – 19 нога, MISO – 18 нога, MOSI – 17 нога, RESET – 1 нога. Общий GND я подключил к разъему на стабилизаторе. Вот и все пять проводков.
Еще раз проверяем правильность собранной схемы и если ошибок не обнаружено, то наслаждается моментом истины.
Подаем питание на макетную плату. При этом должен загореться сигнальный светодиод на стабилизаторе, запускаем PonyProg, выбираем микроконтроллер, с которым будем работать и нажимаем на кнопку «Прочитать всю память МК». Если все правильно подключено и работает, на экране должна появиться меню показывающее процесс чтения данных, затем меню о том, что чтение завершено без ошибок, а на экране появятся данные прочитанные из памяти МК.
Если в МК до этого не было зашито никакой программы, то все биты памяти должны содержать единицы. Повторюсь… не нули, а единицы. То есть все байты должны читаться как FF. Теперь необходимо произвести запись программы на МК. Для этого открываем в РР файл с расширением (.hex) из приложения к уроку. Открытым он должен выглядеть так, как показано на рисунке ниже. Затем нажимаем на кнопку «Записать всё в память МК». На экране отобразится процесс записи программы в МК и выпадет меню о том, что запись прошла успешно.
Для того, чтобы быть уверенными, что у нас все правильно записалось открываем еще одно окно «Открыть новое окно» и производим чтение из МК. После чтения на экране должна отобразится такая же картинка, что и в предыдущем окне. Теперь мы сотрем память МК «Стереть всю память МК» и перечитаем заново. На экране должно отобразится память МК в каждый байт которой записано число 255 (FF). Ну вот. Теперь можно немного передохнуть. Поверьте, дальше будет проще, а главное интересней.
К следующему занятию нам понадобится: Резистор 300 Ом – 1шт. Светодиод – 1шт.
А также необходимо почитать о светодиодах: С.А. Никулин, А.В. Повный «Энциклопедия начинающего радиолюбителя» 2011 год. Страница 103…108. Не забыть заглянуть в Википедию. А также почитать разные публикации в интернете.
О микроконтроллерах: С.А. Никулин, А.В. Повный «Энциклопедия начинающего радиолюбителя» 2011 год. Страница 176…183. Евстифеев А.В. «Микроконтроллеры AVR семейства Tiny и Mega фирмы Atmel» 2008г. Страницы 9…10, 114…122. Воспользуемся знаниями Википедии о микроконтроллерах.
И еще необходимо изучить всё, что касается портов микроконтроллера. Для этого читаем: Евстифеев А.В. «Микроконтроллеры AVR семейства Tiny и Mega фирмы Atmel» 2008г. Страницы 248…254. М.Б. Лебедев «CodeVisionAVR пособие для начинающих» 2008г. Страницы 235...239.
Также для следующего занятия необходимо найти, купить или скачать книгу и немного её почитать. М.Б. Лебедев «CodeVisionAVR пособие для начинающих» 2008г. Страницы 9…10.
А на сегодня всё. Удачи.
11.05.18
Если вдруг найдете в статье неточности или заблуждения. Напишите мне об этом. Я подправлю.
Приложение: Скачать схему подключения МК .spl7, а также тестовую программу дял записи .hex.