
В век смартфонов и бесплатного вайфая все больше и больше людей прячется по своим квартирам в надежде отгородится от агрессивного, куда-то спешащего мира. Создавая себе уют многие обращают свой взгляд на старые теплые ламповые технологии, почти забытые в транзисторном угаре 90 годов. Вот и я тоже не на шутку заинтересовался ламповой техникой. Но с чего начать? Подходить к серьезным схемам ламповых усилителей? На своем опыте испытал, что без необходимого опыта, это бесперспективно. А услышать хваленую теплоту лампового звука мочи нет как хочется. На просторах интернета была найдена простенькая схема лампового усилителя для наушников, но вот вопрос, чем ее запитать? |
|---|
Забегая вперед я скажу, что ничего нового я не изобрел. Просто собрал все составляющие блока питания воедино и протестировал сделанный образец.
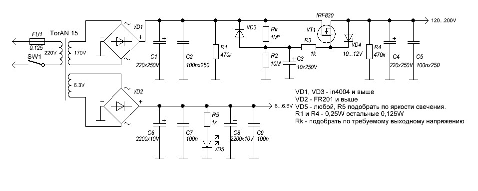
Как известно для питания ламп нужно не только низковольтный накал (6,3V), но и высоковольтное (120…250V) анодное напряжение. Более того, это самое анодное напряжение необходимо отфильтровать, чтобы избавиться от неприятного 50-ти герцового фона. Порывшись в интернете и изучив предложенные там методы фильтрации анодного напряжения, я выбрал схему «электронного дросселя».
Как видите ничего необычного нет. Данная схема обеспечивает небольшую задержку и плавное нарастание анодного напряжения, что благоприятно сказывается на работе ламп, хорошо фильтрует анодное напряжение и позволяет, подбирая резистор Rk, регулировать его в необходимых пределах. При этом, если использовать эту схему для питания маломощных ламп, то радиатор на транзистор VT1 ставить не обязательно.
Немного о применяемых деталях.
Начнем с трансформатора. Для маломощных схем мной был использован 15 ватный трансформатор ТоrАN 15 от компании «Исток-2» производства Тверских мастеров. Его заявленные характеристики 220v=>(170x50mA)+(6.3x1A) впечатляют, но на поверку, при подключении нагрузки напряжение накала проседает до 5,8 вольт уже при 0,6А. при этом трансформатор начинает несильно греться. Отсюда вывод – блок питания с этим трансформатором можно использовать для схем с двумя, тремя лампами общей мощностью накала не более 0,6А и анодным напряжением до 200 вольт.
Фильтрующие емкости C1, C4 я выбрал 220мкф х 250v они подходят по форм-фактору и более чем достаточны для необходимой фильтрации.
Емкость задержки C3 рекомендуют брать не электролитическую, а набирать из пленочных конденсаторов. Я соглашусь с этим утверждением, но такой набор немного увеличит габариты устройства. Для ламповой техники в целом это не ктерично, но вот для маломощных и небольших устройств, на мой взгляд, это не очень хорошо. Вот и приходится выбирать между «красивыми и умными». Величина емкости этого конденсатора подбирается по необходимому времени задержки от 2,2 мкф. до 10 мкф. при этом конденсатор должен быть рассчитан на напряжение питания. В моем случае это не менее 250v.
Защитный стабилитрон можно поставить любой на напряжение от 10 до 12 вольт. В разводке платы я предусмотрел место для монтажа старых «железных» стабилитронов.
Защитный диод VD3 и диодный мост VD1 должны быть рассчитаны на напряжение не менее 300 вольт. для этого вполне подходят 1N4004 и выше.
Резисторы R1 И R4 должны быть не менее 0,25...0,5 Вт и сопротивлением 300…470 кОм. Они служат для плавной разрядки фильтрующих конденсаторов по окончанию работы устройства.
Что же касается стабилизации накального напряжения, то диодного моста на FR201 и конденсаторов общей емкостью 4400 мкф. вполне достаточно чтобы более менее сгладить пульсацию и обеспечить качественный накал лампы.
Светодиод VD5 служит для индикации работы блока питания и может не устанавливаться.
Вот и все по схеме.
Теперь немного о реализации. Вот так блок питания выглядит в натуре.
Это первый образец. Предлагаемая разводка имеет небольшие изменения в части расположения светодиода.
Так выглядит «стрелка осциллографа» :-) до и после фильтрации. При этом разность напряжений до и после фильтра составляет окло 30 вольт.
С целью упрощения схемы в случае если надо выжать максимальное анодное напряжение и не требуется глубокая фильтрация, то можно вместо «электронного дросселя», между емкостями C1, C4, поставить 2...3 ваттный резистор. Сопротивление надо будет расчитать. Место под него уже разведено.
А на сегодня всё. Удачи.
30.03.16
Если вдруг найдете в статье неточности или заблуждения. Напишите мне об этом. Я подправлю.
Приложение: Скачать схему и разводку платы