
![]() |
Сделанный недавно ЦАП на PCM2702 оказался очень капризный и каждая незначительная помеха по питанию в большинстве случаев приводила к сбою в его работе. Начитавшись разных статей в интернете, говорящих о том, что фильтр питания для аудио техники просто необходим, понял, что мне тоже нужно вливаться в мейнстрим. Поэтому недолго думая, порывшись в своем радиолюбительском хламе, и найдя парочку доноров для будущего сетевого фильтра я принялся за дело. |
|---|
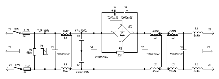
Так как самостоятельный расчет сетевого фильтра для меня затруднителен я пошел по пути наименьшего сопротивления и найдя две не рабочие платы, с установленными на них цепочками фильтров питания, решил использовать их для изготовления своего сетевого фильтра. Одной из плат оказался импульсный блок питания на 360 ватт для светодиодных лент, а второй платой оказался блок питания от какого-то многоканального домашнего кинотеатра давно почившего в бозе.
Я, честно сказать, не до конца понимаю принципы работы сетевых фильтров, но предполагаю, что вставленные в импульсную технику фильтры должны работать в обе стороны и не только отфильтровывать грязь из сети, но и не загрязнять сеть работой импульсного блока питания. А значит мне они должны подойти. Срисовав схемы и номиналы с доноров, взяв каскад фильтрации постоянной составляющей тока из статьи и добавив от себя пару предохранителей с варистором, я объединил все части вместе.
Вот, что получилось в итоге.
Все это добро разместилось на вот такой плате.
И было упаковано в корпус.
Т.к. музыку я уже давно слушаю только с компьютера, трех выходных гнезд мне должно хватить. Хоть корпус и немного большой для такого устройства, но в целом все смотрится очень неплохо.
Мне сложно сказать, что с фильтром все сразу зазвучало как в сказке. На слух я особых улучшений не заметил. Но ЦАП уже не прекращает работать как раньше после включения света в соседней комнате. Толи это был единичный случай, то ли фильтр делает свое дело. С другой стороны, при более значительных помехах все-таки аппарат уходит в нирвану. Так что, подводя итог можно сказать, что в целом фильтр рабочий, но есть куда стремиться.
На «Али» заказал маленький стрелочный вольтметр, обязательно вставлю. Качество работы это конечно не улучшит, зато придаст более серьезный вид устройству. Так что, продолжение следует.
В приложенных файлах схема и разводка платы.
А на сегодня всё. Удачи.
10.11.16
Как я уже писал выше, заказал я на Али стрелочный вольтметр. Но потом подумал, что напряжение сети я и так знаю. Поэтому не долго думая к вольтметру заказал еще и амперметр. Всё-таки знать загруженность устройства будет куда более интересней. Доставили приборы в целости и сохранности, а значит надо доделать начатое. Немного отверстий в корпусе, затем, как в анекдоте, надо обработать напильником. И вот все готово.
А на сегодня всё. Удачи.
29.12.16
Если вдруг найдете в статье неточности или заблуждения. Напишите мне об этом. Я подправлю.
Приложение: Скачать схему и плату в одном файле