
![]() |
В процессе оснащения себя самодельной аудио аппаратурой, понял, что без селектора входов мне к сожалению, пока, не обойтись. Посему недолго думая заказал на Али релющки и приступил к делу. Но так как усилителя мощности у меня пока нет, да и ставить в него селектор входов у меня желания тоже не наблюдается, то я сделал селектор отдельным устройством с микроконтроллерным управлением. |
|---|
Обычно селекторы входов ставят непосредственно в усилитель мощности. Но как было сказано выше, устанавливать это устройство в усилитель у меня желания нет. Более того для возможности подключения нескольких усилителей мне нужны не только входы, но и, как минимум, два выхода.
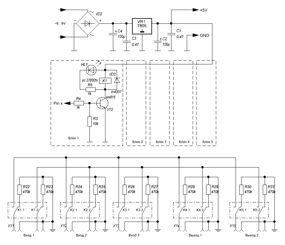
Это типичная схема обвязки реле. Ничего инновационного в ней нет. Светодиоды параллельно реле можно не ставить. Я их влепил для визуализации процесса включения реле при программировании. Но их можно использовать для индикации подключенных входов/выходов если поместить на заднюю панель усилителя. В общем пустячок, а приятно. Схема сделана таким образом, что ее можно использовать с любым управляющим устройством будь это галетный переключатель, схема управления на счетчиках (к561ие8) или на другом микроконтроллере без разницы.
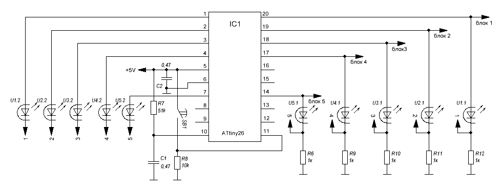
Но так как мне надо коммутировать не только входы, но и выходы я решил сделать управление на микроконтроллере, к тому же у меня уже давно была ATtiny26 валяющаяся без дела.
Ножек контроллера вполне достаточно чтобы разделить процесс включения реле с процессом переключения каналов. То есть при смене каналов все реле отключаются, при этом индикация меняет цвет с зеленого на красный, затем, когда необходимые установки сделаны, через небольшой промежуток времени реле включаются но уже с новыми настройками. Об этом также сигнализирует смена цвета индикаторов. Входные каналы переключаются короткими нажатиями на кнопку управления, а выходы переключаются путем удержания кнопки в нажатом состоянии. Также при смене каналов новые значения записываются в память и при следующем включении устройства автоматически устанавливаются выбранные ранее каналы. Прошивку можно посмотреть в приложенных файлах. Я полностью заархивировал проект, сделанный мной в CVAvr так, что если кому захочется поиграть с настройками или изменить программу, то это можно легко сделать.
О корпусе можно сказать только то, что я использовал понравившейся мне алюминиевый ВО11 222х146х55. Такой же я использовал для ЦАПа и сетевого фильтра. Стоит, он не дешево, но зато работать с ним одно удовольствие. И да… Я прикупил черной краски. :-)
Все элементы размещены на трех платах (управление, блок питания, блок реле) смонтированных на стоечках, установленных на нижней крышке и передней панеле. Аудио разъемы изолированы от корпуса, а сам корпус заземлен через общий провод на разъеме питания. И вообще я сделал так, чтобы земля устройства не контактировала с аудио землей. Блок питания у меня уже был от другого ранее недоделанного проекта.
При разметке я немного ошибся и мне пришлось растачивать отверстия в платах под уже имеющиеся места креплений. Но в целом все влезло, закрылось и радует меня своим функционалом.
А на сегодня всё. Удачи.
P.S. Все приложения в конце страницы.
27.03.2017
Селектор отработал уже более пяти лет без нареканий, но все это время меня мучил мой перфекционизм и желание вместо кнопки переключать каналы энкодером. А руки никак не доходили до этой модернизации. Недавно я нашел в себе силы, время и сделал задуманное. Ну и параллельно переделал программу кнопочного управления сделав ее более стабильной.
В прилагаемом файле новая прошивка для управления селектором. Но, как всегда, есть нюансы. Во-первых, необходимо перешить не только прошивку, но и фьюзы, как указано в заголовке файла Selektor.c. Во-вторых, при включении контроля напряжения питания при переключении реле может возникать просадка и перезапуск МК. Это лечится заменой С2 со 100 мкф на 2000 мкф. Как вариант можно запрограммировать контроль напряжения питания на 2.7 вольта оставив фьюз BODLEVEL не запрограммированным (1).
А на сегодня всё. Удачи.
02.11.2022
Если вдруг найдете в статье неточности или заблуждения. Напишите мне об этом. Я подправлю.
Приложения: Скачать схемы и разводку плат селектора Скачать программу управления селектором Скачать обновленную прошивку и проект от 02.22.2022