
![]() |
Как-то ходя по канцелярским магазинам, собирая дочу в школу, наткнулся на две прекрасные карандашницы и подумал, а почему бы не сделать из них небольшой ночничок или уютный светильник на стол. Не то что бы свечи нынче дороги, но с ними мороки много, а здесь включил в розетку и вот тебе уже мерцание свечи, а если учесть, что зима близко и новый год не за горами, то такой фонарик будет в тему. |
|---|
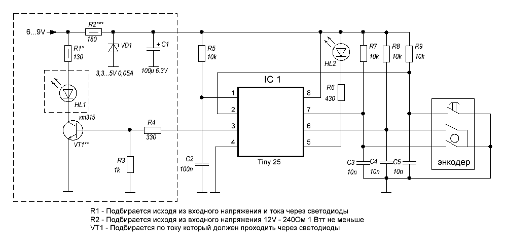
Схема управления светодиодами банальна. Но надо отметить то, что ее легко модернизировать и для подключения более мощных светодиодов и для светодиодной ленты.
Для подключения светодиодной ленты на 12V надо будет вместо R1 поставить перемычку и заменить VT1 на что-то по мощнее кт815 или 817. А лучше вообще поставить какой-нибудь полевичок подобрав его по току, потребляемому лентой. Еще придется поставить R2 на 240 Ом мощностью не менее одного ватта. Греться он будет прилично. Либо вообще заменить цепь R2, VD1 на DC/DC преобразователь 12/5 вольт. Например, B1205S. Для 24-х вольтовой светодиодной ленты надо сразу ставить преобразователь 24/5 вольт. Само собой придется разводить новую плату под это добро.
Физически я разместил элементы на трех платах: светодиоды, питание, управление. Плату со светодиодами я взял от какого-то, почившего в бозе, ручного фонарика.
Светильник должен выглядеть прилично. Для этого мне пришлось немного подумать над дизайном, спроектировать и распечатать необходимые для крепления и декора элементы, заматировать ацетоном стекло внутреннего стакана и срезать его донышко для удобного крепления энкодера на верху лампы.
Программа работы светильника включает в себя два режима работы. В первом, светильник горит постоянно, а его яркость можно регулировать вращением энкодера. При этом сигнальный светодиод будет часто моргать при максимальных настройках, редко моргать при минимальных настройках и просто гореть, когда настройки находятся где-то между пределами. Так же в этом режиме при коротком нажатии на кнопку энкодера происходит переход от максимального свечения к минимальному и наоборот. При долгом нажатии на кнопку энкодера светильник переходит в режим свечи. Сигнальный светодиод отключается, а светильник начнет имитировать неровное горение свечи. Не могу сказать, что прямо очень реалистично, но вполне достаточно чтобы создать нужную атмосферу. Выход из режима свечи по короткому нажатию на кнопку энкодера при этом лампа перейдет в режим светильника на максимальном уровне.
Вот так. В приложенных файлах схема, разводка плат, прошивка, проект в CV_AVR что бы можно было поиграться настройками и, может кому пригодятся, файлы для печати корпуса.
Ну а на сегодня все. Удачи.
09.09.22
Если вдруг найдете в статье неточности или заблуждения. Напишите мне об этом. Я подправлю.
Приложения: Скачать схему, плату, прошивку, проект, файлы для печати.