
![]() |
У меня как-то изначально не сложилось общение с разного рода «ардуинами». Поэтому большинство всех своих устройств я делал с нуля. Сначала проектировал схему, а затем ее программировал. Бывало, так, что ошибался, приходилось исправлять её и делать всё снова. Поэтому для проверки работы разного рода датчиков и отработки некоторых технических и программных решений, а также конструирования несложных цифровых устройств, я задумывался о своём универсальном модуле, который с одной стороны имел бы всё необходимое для реализации моих задач, а с другой был прост и универсален. |
|---|
Я несколько раз порывался сделать такой модуль, но то МК выбирал не тот, то зачем-то прикручивал к нему стабилизатор напряжения. В общем мне они не нравились. Здесь же я хочу рассказать о модуле, которым я пользуюсь уже, можно сказать, год и меня он пока устраивает.
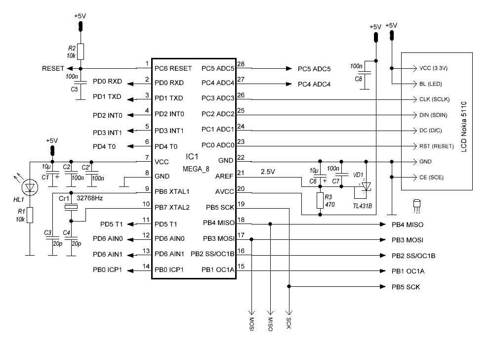
Начнем с главного. Мега-8, простой и в тоже время достаточный микроконтроллер, который является основой модуля. Я использовал МК в корпусе TQFP так как тенденция переходить на поверхностный монтаж хоть и ощущает некоторое сопротивление в сообществе радиолюбителей, но все равно понемногу отвоёвывает свое право на существование. К тому же для размещения этого МК у меня уже есть свой модуль на борту которого располагается не только сам чип, но и минимально необходимый обвес.
Кто-то спросит почему Мега 8, а не 328 например? Просто так сложилось. 328-мая Мега, на самом деле, была бы даже предпочтительней, больший объем памяти, широкий выбор возможностей для выводов. Но т.к. я в основном для своих поделок использую восьмую Мегу, то и универсальный модуль решил сделать на этом контроллере. Хотя никто не мешает вместо нее поставить 328-ю.
С одной стороны тестовый модуль должен быть универсальный, а с другой стороны есть вещи которые для тестирования разных датчиков просто необходимы. Пришлось пожертвовать выводами МК для подключения кварцевого резонатора и большей частью выводов АЦП для подключения дисплея Nokia 5110. Как по мне, универсальный модуль без дисплея не имеет смысла. Потому как во время отработки каких-то решений всегда приходится выводить промежуточную информацию, и даже если она не нужна в конечном итоге, понимания того, что все идет как было задумано дорогого стоит.
Плату для размещения контроллера я в свое время заказал на производстве. И сразу большую партию чтобы, как говорится, два раза не ходить. На модуле контроллера размещается сам МК (IC1), кварц (Cr1), необходимые конденсаторы (C2’, C3, C4, C7, C8), а также цепь индикации (HL1, R1), которая показывает наличие питания. Если кто будет повторять, то имейте ввиду, что на линии RESET необходимо установить перемычку (R0). Я эти модули использую как сердца для своих проектов. В целом удобно и если что-то не используется, например кварцевый резонатор, то его можно и не монтировать.
На общей плате размещается сам модуль МК, дисплей Nokia 5110, линяя стабилизации опорного напряжения VD1, R3, C6, линия сброса R2, C5, конденсаторы по питаниюС1 и С2. Разъем для подключения программатора и, конечно, штырьковые выводы для подключения разного рода устройств к модулю. На линии сброса я, честно сказать, забыл поставить кнопку RESET, так что, если кто будет делать что-то подобное не забудьте про нее. Иногда бывает нужна.
Питания модуля осуществляется через программатор. Выводы плюса питания сделаны не штырьками, а гнездами что бы случайно не перепутать, да и исключить возможность замыкания. Также, для исключения коротких замыканий, задняя часть платы закрыта напечатанным кожухом, который крепится к кронштейну поддержки дисплея. Вместо штырьков можно для всех выводов использовать гнезда, но мне так не удобно.
После всех необходимых подключений, для работы модуля с внешним миром, остается порт «D» (8 пинов), порт «B» (6 пинов) и порт «C» (2 пина), что в общем-то не мало и пока хватает для работы.
В приложениях к проекту есть не только разводка платы, но и небольшая программка которая при запуске раз в секунду моргает прямоугольником в правом верхнем углу дисплея указывая на то, что он работает, часовой кварц в порядке и Т2 работает в асинхронном режиме.
Если кому идея понравилась и захочется ее поводить, то перед тем, как делать общую плату, необходимо проверить правильность отверстий для крепления дисплея. Nokia 5110 делают все кому не лень и поэтому конфигураций этих дисплеев есть множество.
В приложенных файлах принципиальная схема, разводка плат и прошивка с библиотекой знаков для Nokia 5110.
А на сегодня всё. Удачи.
11.07.2025
Если вдруг найдете в статье неточности или заблуждения. Напишите мне об этом. Я подправлю.
Приложения: Разводка плат, схемы, тестовая программа в CV_AVR.