
![]() |
В последнее время многие из моих знакомых начали интересоваться процессами получения спиртных напитков. Банальными настойками на покупной водке дело конечно не ограничивается. Люди, погружаясь в тонкости винокурения, не только собирают травы и ягоды для получения оригинальных настоек и разных сладких наливок, но и производят основу для приготовления своих нектаров. А для получения качественного высокоградусного продукта для основы, необходимо точно соблюдать температурный режим дистилляции. Это довольно утомительный процесс, не позволяющий человеку отойти от перегонного куба. И чтобы как-то облегчить жизнь винокуру, переложив работу по отслеживанию температурных параметров на автоматику, я и сделал этого помощника. |
|---|
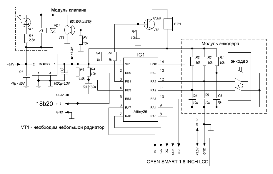
По сути это электронный термометр, который отслеживает температурные параметры на разных этапах перегонки браги, а заодно может управлять клапаном отбора в случае использования его с непрерывной бражной колонной (НБК).
Если рассмотреть процесс выгонки спирта в «крупную клетку», не привязываясь к оборудованию, то его можно разделить на четыре основных этапа: 1. Нагрев браги; 2. Отбор «голов» (метиловый спирт, ацетоны и другие примеси, кипящие при низкой температуре) в начале перегонки; 3. Отбор «тела» (непосредственный отбор этилового спирта); 4. Отбор «хвостов» (остатки этилового спирта, другие спирты и эфиры, кипящие при высокой температуре) в конце перегонки.
Переключение этапов процесса в помощнике производится вручную по долгому нажатию на кнопку энкодера. Каждый из этапов имеет свои особенности отбора и сопровождается своими температурными параметрами. Конкретные параметры я здесь приводить не буду, потому как для каждого аппарата они индивидуальны и сильно зависят от места установки термометра. Их необходимо самостоятельно подобрать в процессе перегонки и записать в память устройства.
Если у вас есть НБК, то помощник может управлять 24-х вольтовым клапаном который ставится на трубопровод отбора. В классических самогонных аппаратах клапан не нужен.
Нагрев браги. На первом этапе необходимо разогреть брагу. В классическом самогонном аппарате нагрев браги необходимо повышать плавно до определенной температуры, где-то в районе 76 С, попутно конденсируя все низкотемпературные фракции. В НБК этот процесс оканчивается тогда, когда колонна начинает работать сама на себя. Т.е. пар из КУБа поднимается вверх по ректификационной колонне и конденсируется в верхнем конденсаторе, а сконденсированная жидкость обратно стекает по тарелкам колонны в КУБ.
Помощник отследит повышение температуры и просигнализирует, когда она достигнет установленного значения. Также, при работе с НБК, можно вручную управлять клапаном отбора. Открыть или закрыть его. По окончании нагрева, когда температура достигнет установленного значения, клапан, если был открыт, автоматически закроется устройство подаст сигнал и перейдет в режим ожидания, а также покажет время, за которое произошел процесс нагрева. Чтобы отключить сигнал зуммера необходимо нажать один раз на кнопку энкодера и не важно в какой позиции при этом будет находится курсор.
Отбор «голов». На этом этапе необходимо поддерживать оптимальную температуру для кипения и последующей конденсации «голов». Расчет количества «голов» на литр браги есть в интернете.
Помощник будет отслеживать температуру при котором проходит процесс отбора и будет сигнализировать, когда она выходит за установленные границы. Для окончания процесса отбора «голов» необходимо установить время, через которое этот этап будет считаться завершенным. Также, при работе с НБК, нужно будет выставить время, при котором клапан отбора будет открыт и закрыт. Таким образом можно регулировать производительность отбора. Клапан будет открываться и закрываться согласно установленным временным значениям независимо от выставленных параметров температуры. По истечении отведенного времени, клапан закроется, устройство подаст сигнал и перейдет в режим ожидания.
Отбор «тела». На этом этапе Помощник будет также отслеживать температуру, но сигнал о выходе за установленные границы подаваться не будет.
Клапан будет работать (открываться и закрываться по установленному времени) только когда температура находится в рабочей зоне. Т.е. как только температура выходит за пределы рабочего диапазона клапан закрывается, в тоже время запускаться таймер выхода из процесса. Если, до окончания отсчета времени таймера, температура снова входит в рабочий диапазон, клапан начинает работать на отбор, а счетчик выхода из процесса принимает максимальное значение. Окончание этапа отбора «тела» произойдет тогда, когда обнулится счетчик выхода из процесса, т.е. когда время, которое пройдет с момента выхода температуры за установленное значение будет больше чем установлено таймером.
Такой мудреный процесс необходим для работы НБК при втором перегоне, для классического самогонного аппарата клапан не нужен и поэтому сигнал об окончании этапа отбора прозвучит тогда, когда температура достигнет верхнего установленного порога. При этом необходимо выставить минимальное время таймера выхода из процесса.
Отбор «хвостов». Этот режим еще проще чем режим нагрева.
В этом режиме клапан открывается по умолчанию, а помощник отслеживает температуру, при которой необходимо просигнализировать о конце всего процесса выгонки спирта
Вот и всё. Теперь не надо торчать у аппарата постоянно и контролировать температуру. Если что-то пойдет не так помощник всегда пискнет и привлечет внимание.
Ну а я достану себе аппарат попроще и протестирую прибор.
В прилагаемых файлах: схема, плата, прошивка.
А на сегодня всё.
25.07.22
Если вдруг найдете в статье неточности или заблуждения. Напишите мне об этом. Я подправлю.
Приложения: Скачать схему, плату, прошивку.