
Так уж вышло, что я, пользуясь программатором «Пять проводков», благополучно спалил себе LPT порт. Компьютер рабочий, а вот порт накрылся медным тазом. Очень обидно. Прошивать контроллеры я могу другим программатором но работать с PonyProg мне нравится, а эта программа, как не крути, требует параллельный порт. Поэтому я недолго думая нашел на Авито топовую материнку пятнадцати летней давности и уже вечером следующего дня собрал себе «новый» компьютер. Собрать-то я собрал, но решил посмотреть не было ли сделано чего-то прорывного в направлении эмуляции LPT через USB. |
|---|
Дело в том, что предлагаемые в магазинах промышленные переходники не в полной мере справляются с возложенными на них обязанностями. И не работают ни с чем кроме принтеров. Да и с ними, по отзывам пользователей, тоже работают кое как.
Я давно приметил статью о переходнике USB-LPT но не было нужды его делать. Да и разводка всех линий на 25-и пиновый разъем дело не благодарное.
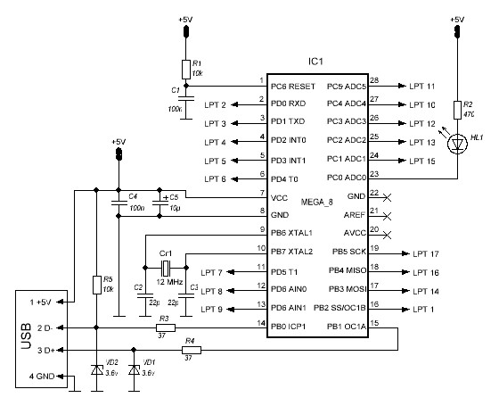
Но случившееся подтолкнуло меня на подвиг, а так как мне нужен LPT только для того чтобы подключать к нему «Пять проводков», то я упростил схему исключив из нее неиспользуемые лини, а за одно добавил защитные сопротивления «пяти проводков».
Как и с другим программатором я, для удобства разводки платы, повыдергивал из МК неиспользуемые выводы. И вот что у меня получилось.
Для программирования устройства припаиваем необходимые проводки к специальным пяточкам на плате, подаем питания через выходной разъем и заливаем в контроллер прошивку (приложенный файл proschivka_usb2lpt.hex), а также программируем фьюзы, как они представлены на фотографии.
После чего отпаиваем более ненужные проводки и включаем переходник/программатор в USB разъем. Винда хрюкнет о том, что найдено неопознанное устройство. Скармливаем ей драйвер, находящийся в архиве driwers_usb2lpt.rar. И вуаля, у нас появляется LPT порт.
Но это еще не всё. Для того чтобы девайс заработал с PonyProg необходимо чутка изменить настройки «по умолчанию».
Открываем диспетчер устройств / порты (COM и LPT), находим там наш новый порт (h#s конвертер USB к LPT (LPT2)). Входим в его настройки и в меню «Эмуляция» меняем: Эмулируемый адрес –278h (632, LPT2); Расширенный режим –ECP + EPP; А также ставим галочки везде кроме “Принудительного распределения”. Нажимаем OK. На этом настройка порта завершена.
Теперь устанавливаем PonyProg, у кого ее еще нет, и в папке программы находим файл – ponyprog2000.ini. Открываем его блокнотом и делаем несколько изменений: В строке — AutoDetectPorts = NO В строке — LPTPorts = 378,278,3BC
Если кому лень копаться в iniшнике, то в прилагаемых файлах он есть. Надо только поменять его в папке с программой.
Сохраняем все изменения и запускаем PonyProg. Настраиваем и калибруем ее на работу с LPT_2.
Вот и все, теперь можно прошивать МК с помощью PonyProg не имея LPT разъема. Программатор работает как с PonyProg так и с CV_AVR.
Но в любой бочке меда есть ложка дегтя. Во-первых, я пробовал работу устройства только под WIN_ХP. Во-вторых, прошивка МК происходит очень медленно. На программирование 8-ой меги уходит около 2...3 минут. И еще, я заметил, что после чтения кристалла PonyProg выдает какую-то белиберду в том месте где кончается код и начинается не запрограммированная память МК. С другой стороны, все программы, на которых проходило тестирование, работали без сбоев. Я также пробовал другие драйвера и прошивки, найденные мной на просторах интернета. Но с альтернативными прошивками устройство не работало, а со старым драйвером иногда подвисало. Вот такие нюансы. Да, еще. Переходник у меня через USB hub работать отказывался!
В сухом остатке. Устройство работает, но как-то странно. Надо проводить тестирование его работы с пристрастием.
А на сегодня всё. Удачи.
14.11.2019
Если вдруг найдете в статье неточности или заблуждения. Напишите мне об этом. Я подправлю.
Приложение: Схема, разводка, прошивка, драйвер для работы с USB_LPT.